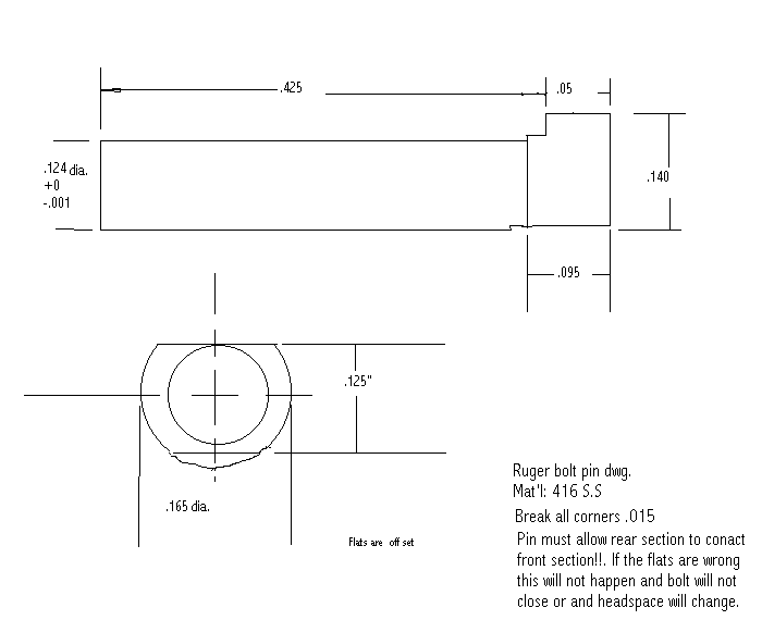
This diagram is from
Charles
, if you have a question, feel free to contact him.